FMでモールス信号送出用F2A CWインターフェース(ハンディ機用)の製作
FMでモールス信号送出用F2A CWインターフェースAMD−F2 Ver4の製作
Ver3からVer4への変更点。
・ハンディ機でも使用可能な様に、マイクのアナログスイッチによる切り替えをリレーによる切り替えに変更した。
・マイコンを、アトメル社のATtiny13Aから、マイクロチップ社のPIC12F615に変更した。
・PTT信号のオフディレイタイマを、アナログ回路からマイコン処理(デジタル)に変更した。
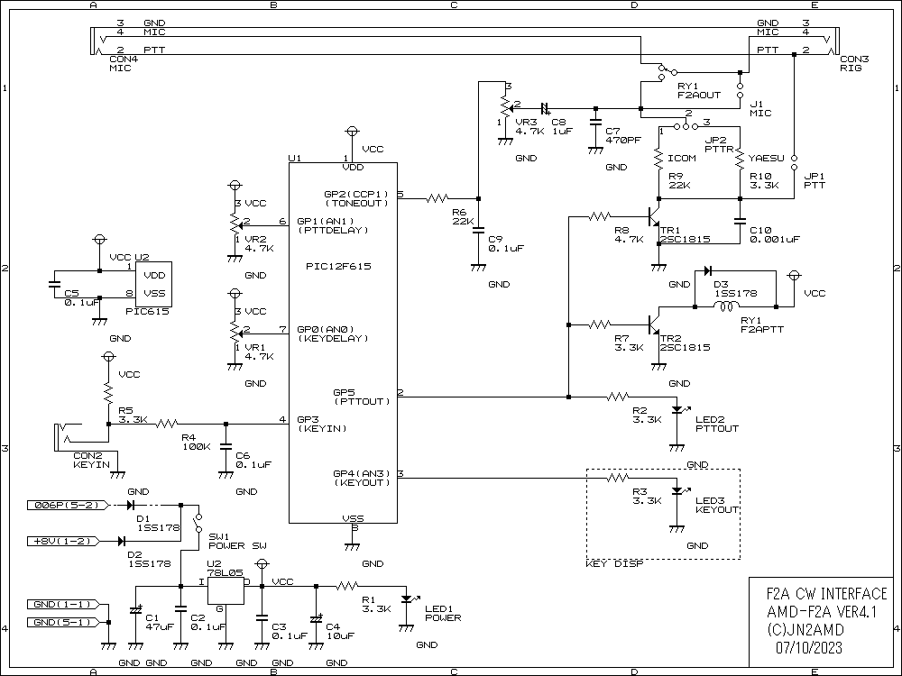
ハンディ機用AMD−F2 Ver4.1の製作例
Ver4.0からVer4.1への変更点
・片面基板から両面基板に変更
・リレーを変更


取扱説明書のダウンロード
回路図のダウンロード
ハンディ機用AMD−F2 Ver4.0の製作例
タカチ電機製プラスチックケースSW−95に格納可能サイズ。
電池006Pを内蔵する場合は、タカチ電機製プラスチックケースSW−120が、ご使用になれます。
コネクタは、左からハンディマイク接続用3.5mmミニステレオジャック、ハンディ機接続用3.5mmミニステレオジャック、キー入力用3.5mmミニステレオジャック、電源(φ2.1mmDCジャック、8−12V)です。
ボリュームは、左からVR3(トーン出力のレベル調整用),VR2(PTT信号のオフディレイ時間調整用(約5mSから約1.3S)),VR1(KEY信号のディレイ時間調整用(約10mSから約160mS))です。
LEDは、左からKEY出力表示、PTT出力表示、電源表示です。


取扱説明書のダウンロード
回路図のダウンロード
トップページに戻る